HOME >> Services >> Partners >> FAG Bearing
FAG Bearing
IKO Bearing
INA Bearing
KOYO Bearing
NACHI Bearing
NSK Bearing
NTN Bearing
SKF Bearing
TIMKEN Bearing

Bearing number : 6305-2Z
Size (mm) : 25x62x17
Brand : FAG
Bore Diameter (mm) : 25
Outer Diameter (mm) : 62
Width (mm) : 17
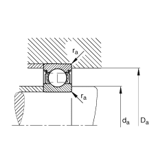
d - 25 mm
D - 62 mm
B - 17 mm
D2 - 52,5 mm
Da max - 55 mm
d1 - 36,4 mm
da min - 32 mm
ra max - 1 mm
rmin - 1,1 mm
m - 0,24 kg / Weight
Cr - 23900 N / Dynamic load rating (radial)
C0r - 11700 N / Static load rating (radial)
nG - 13700 1/min / Limiting speed
nB - 12300 1/min / Reference speed
Cur - 590 N / Fatigue limit load, radial
Main dimensions to DIN 625-1