HOME >> Services >> Partners >> FAG Bearing
FAG Bearing
IKO Bearing
INA Bearing
KOYO Bearing
NACHI Bearing
NSK Bearing
NTN Bearing
SKF Bearing
TIMKEN Bearing

Bearing number : 6308
Size (mm) : 40x90x23
Brand : FAG
Bore Diameter (mm) : 40
Outer Diameter (mm) : 90
Width (mm) : 23
d - 40 mm
D - 90 mm
B - 23 mm
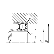
D1 - 74,6 mm
Da max - 81 mm
d1 - 55,6 mm
da min - 49 mm
ra max - 1,5 mm
rmin - 1,5 mm
m - 0,64 kg / Weight
Cr - 45500 N / Dynamic load rating (radial)
C0r - 25000 N / Static load rating (radial)
nG - 10800 1/min / Limiting speed
nB - 9000 1/min / Reference speed
Cur - 1270 N / Fatigue limit load, radial
Main dimensions to DIN 625-1