HOME >> Services >> Partners >> FAG Bearing
FAG Bearing
IKO Bearing
INA Bearing
KOYO Bearing
NACHI Bearing
NSK Bearing
NTN Bearing
SKF Bearing
TIMKEN Bearing

Bearing number : 6311-2RSR
Size (mm) : 55x120x29
Brand : FAG
Bore Diameter (mm) : 55
Outer Diameter (mm) : 120
Width (mm) : 29
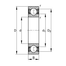
d - 55 mm
D - 120 mm
B - 29 mm
D2 - 104,3 mm
Da max - 109 mm
d1 - 75,2 mm
da min - 66 mm
ra max - 2 mm
rmin - 2 mm
m - 1,43 kg / Weight
Cr - 83000 N / Dynamic load rating (radial)
C0r - 47500 N / Static load rating (radial)
nG - 3600 1/min / Limiting speed
nB - - 1/min / Reference speed
Cur - 3150 N / Fatigue limit load, radial
Main dimensions to DIN 625-1, lip seal on both side