HOME >> Services >> Partners >> FAG Bearing
FAG Bearing
IKO Bearing
INA Bearing
KOYO Bearing
NACHI Bearing
NSK Bearing
NTN Bearing
SKF Bearing
TIMKEN Bearing

Bearing number : 6313-2Z
Size (mm) : 65x140x33
Brand : FAG
Bore Diameter (mm) : 65
Outer Diameter (mm) : 140
Width (mm) : 33
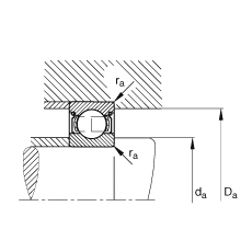
d - 65 mm
D - 140 mm
B - 33 mm
D2 - 122,2 mm
Da max - 128 mm
d1 - 88,3 mm
da min - 77 mm
ra max - 2,1 mm
rmin - 2,1 mm
m - 2,18 kg / Weight
Cr - 100000 N / Dynamic load rating (radial)
C0r - 60000 N / Static load rating (radial)
nG - 5600 1/min / Limiting speed
nB - 6400 1/min / Reference speed
Cur - 3900 N / Fatigue limit load, radial
Main dimensions to DIN 625-1