HOME >> Services >> Partners >> FAG Bearing
FAG Bearing
IKO Bearing
INA Bearing
KOYO Bearing
NACHI Bearing
NSK Bearing
NTN Bearing
SKF Bearing
TIMKEN Bearing

Bearing number : 6314-2Z
Size (mm) : 70x150x35
Brand : FAG
Bore Diameter (mm) : 70
Outer Diameter (mm) : 150
Width (mm) : 35
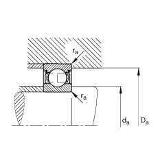
d - 70 mm
D - 150 mm
B - 35 mm
D2 - 130,2 mm
Da max - 138 mm
d1 - 94,8 mm
da min - 82 mm
ra max - 2,1 mm
rmin - 2,1 mm
m - 2,6 kg / Weight
Cr - 115000 N / Dynamic load rating (radial)
C0r - 69000 N / Static load rating (radial)
nG - 5200 1/min / Limiting speed
nB - 6100 1/min / Reference speed
Cur - 4450 N / Fatigue limit load, radial
Main dimensions to DIN 625-1