HOME >> Services >> Partners >> FAG Bearing
FAG Bearing
IKO Bearing
INA Bearing
KOYO Bearing
NACHI Bearing
NSK Bearing
NTN Bearing
SKF Bearing
TIMKEN Bearing

Bearing number : 634-2Z
Size (mm) : 4x16x5
Brand : FAG
Bore Diameter (mm) : 4
Outer Diameter (mm) : 16
Width (mm) : 5
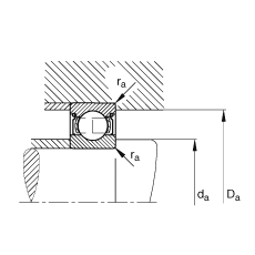
d - 4 mm
D - 16 mm
B - 5 mm
D2 - 13,2 mm
Da max - 13,6 mm
d1 - 8,5 mm
da min - 6,4 mm
ra max - 0,3 mm
rmin - 0,3 mm
m - 0,0060 kg / Weight
Cr - 2000 N / Dynamic load rating (radial)
C0r - 680 N / Static load rating (radial)
nG - 53000 1/min / Limiting speed
nB - 35000 1/min / Reference speed
Cur - 35 N / Fatigue limit load, radial
Main dimensions to DIN 625-1