HOME >> Services >> Partners >> FAG Bearing
FAG Bearing
IKO Bearing
INA Bearing
KOYO Bearing
NACHI Bearing
NSK Bearing
NTN Bearing
SKF Bearing
TIMKEN Bearing

Bearing number : 6348-M
Size (mm) : 240x500x95
Brand : FAG
Bore Diameter (mm) : 240
Outer Diameter (mm) : 500
Width (mm) : 95
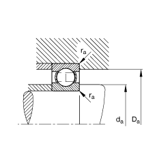
d - 240 mm
D - 500 mm
B - 95 mm
D1 - 411,3 mm
Da max - 480 mm
d1 - 328,7 mm
da min - 260 mm
ra max - 4 mm
rmin - 5 mm
m - 96,4 kg / Weight
Cr - 470000 N / Dynamic load rating (radial)
C0r - 620000 N / Static load rating (radial)
nG - 2260 1/min / Limiting speed
nB - 1800 1/min / Reference speed
Cur - 24900 N / Fatigue limit load, radial
Main dimensions to DIN 625-1