HOME >> Services >> Partners >> FAG Bearing
FAG Bearing
IKO Bearing
INA Bearing
KOYO Bearing
NACHI Bearing
NSK Bearing
NTN Bearing
SKF Bearing
TIMKEN Bearing

Bearing number : 6403
Size (mm) : 17x62x17
Brand : FAG
Bore Diameter (mm) : 17
Outer Diameter (mm) : 62
Width (mm) : 17
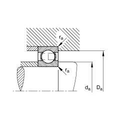
d - 17 mm
D - 62 mm
B - 17 mm
D1 - 50,2 mm
Da max - 53 mm
d1 - 36,4 mm
da min - 26 mm
ra max - 1 mm
rmin - 1,1 mm
m - 0,269 kg / Weight
Cr - 23800 N / Dynamic load rating (radial)
C0r - 11500 N / Static load rating (radial)
nG - 16200 1/min / Limiting speed
nB - 13700 1/min / Reference speed
Cur - 580 N / Fatigue limit load, radial
Main dimensions to DIN 625-1