HOME >> Services >> Partners >> FAG Bearing
FAG Bearing
IKO Bearing
INA Bearing
KOYO Bearing
NACHI Bearing
NSK Bearing
NTN Bearing
SKF Bearing
TIMKEN Bearing

Bearing number : 6404
Size (mm) : 20x72x19
Brand : FAG
Bore Diameter (mm) : 20
Outer Diameter (mm) : 72
Width (mm) : 19
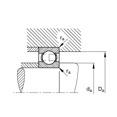
d - 20 mm
D - 72 mm
B - 19 mm
D1 - 59,6 mm
Da max - 65 mm
d1 - 44,6 mm
da min - 27 mm
ra max - 1 mm
rmin - 1,1 mm
m - 0,414 kg / Weight
Cr - 30500 N / Dynamic load rating (radial)
C0r - 16200 N / Static load rating (radial)
nG - 13700 1/min / Limiting speed
nB - 12100 1/min / Reference speed
Cur - 820 N / Fatigue limit load, radial
Main dimensions to DIN 625-1