HOME >> Services >> Partners >> FAG Bearing
FAG Bearing
IKO Bearing
INA Bearing
KOYO Bearing
NACHI Bearing
NSK Bearing
NTN Bearing
SKF Bearing
TIMKEN Bearing

Bearing number : 6413
Size (mm) : 65x160x37
Brand : FAG
Bore Diameter (mm) : 65
Outer Diameter (mm) : 160
Width (mm) : 37
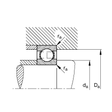
d - 65 mm
D - 160 mm
B - 37 mm
D1 - 133,2 mm
Da max - 146 mm
d1 - 101,7 mm
da min - 79 mm
ra max - 2,1 mm
rmin - 2,1 mm
m - 3,49 kg / Weight
Cr - 123000 N / Dynamic load rating (radial)
C0r - 77000 N / Static load rating (radial)
nG - 6300 1/min / Limiting speed
nB - 6100 1/min / Reference speed
Cur - 4750 N / Fatigue limit load, radial
Main dimensions to DIN 625-1