HOME >> Services >> Partners >> FAG Bearing
FAG Bearing
IKO Bearing
INA Bearing
KOYO Bearing
NACHI Bearing
NSK Bearing
NTN Bearing
SKF Bearing
TIMKEN Bearing

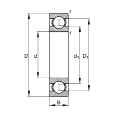
Bearing number : 6418-M
Size (mm) : 90x225x54
Brand : FAG
Bore Diameter (mm) : 90
Outer Diameter (mm) : 225
Width (mm) : 54
d - 90 mm
D - 225 mm
B - 54 mm
D1 - 184 mm
Da max - 205 mm
d1 - 132,2 mm
da min - 110 mm
ra max - 3 mm
rmin - 4 mm
m - 11,7 kg / Weight
Cr - 209000 N / Dynamic load rating (radial)
C0r - 162000 N / Static load rating (radial)
nG - 5200 1/min / Limiting speed
nB - 4950 1/min / Reference speed
Cur - 8900 N / Fatigue limit load, radial
Main dimensions to DIN 625-1