HOME >> Services >> Partners >> FAG Bearing
FAG Bearing
IKO Bearing
INA Bearing
KOYO Bearing
NACHI Bearing
NSK Bearing
NTN Bearing
SKF Bearing
TIMKEN Bearing

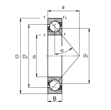
Bearing number : 71812-B-TVH
Size (mm) : 60x78x10
Brand : FAG
Bore Diameter (mm) : 60
Outer Diameter (mm) : 78
Width (mm) : 10
d - 60 mm
D - 78 mm
B - 10 mm
a - 33,9 mm
D1 - 70,7 mm
Da max - 76 mm
Db max - 76,6 mm
d1 - 67,2 mm
da min - 62 mm
r1 min - 0,2 mm
ra max - 0,3 mm
ra1 max - 0,2 mm
rmin - 0,3 mm
α - 40 ° / Angle
m - 0,07 kg / Weight
Cr - 12300 N / Dynamic load rating (radial)
C0r - 12800 N / Static load rating (radial)
nG - 10500 1/min / Limiting speed
nB - - 1/min / Reference speed
Cur - 840 N
Main dimensions to DIN 628-1, Angle α = 40°