HOME >> Services >> Partners >> FAG Bearing
FAG Bearing
IKO Bearing
INA Bearing
KOYO Bearing
NACHI Bearing
NSK Bearing
NTN Bearing
SKF Bearing
TIMKEN Bearing

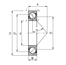
Bearing number : 7232-B-MP
Size (mm) : 160x290x48
Brand : FAG
Bore Diameter (mm) : 160
Outer Diameter (mm) : 290
Width (mm) : 48
d - 160 mm
D - 290 mm
B - 48 mm
a - 118 mm
D1 - 238 mm
Da max - 276 mm
Db max - 283 mm
d1 - 212 mm
da min - 174 mm
r1 min - 1,1 mm
ra max - 2,5 mm
ra1 max - 1 mm
rmin - 3 mm
α - 40 ° / Angle
m - 13,5 kg / Weight
Cr - 241000 N / Dynamic load rating (radial)
C0r - 305000 N / Static load rating (radial)
nG - 3500 1/min / Limiting speed
nB - 2650 1/min / Reference speed
Cur - 10400 N
Main dimensions to DIN 628-1, Angle α = 40°