HOME >> Services >> Partners >> FAG Bearing
FAG Bearing
IKO Bearing
INA Bearing
KOYO Bearing
NACHI Bearing
NSK Bearing
NTN Bearing
SKF Bearing
TIMKEN Bearing

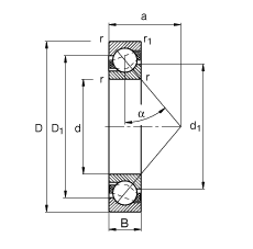
Bearing number : 7302-B-JP
Size (mm) : 15x42x13
Brand : FAG
Bore Diameter (mm) : 15
Outer Diameter (mm) : 42
Width (mm) : 13
d - 15 mm
D - 42 mm
B - 13 mm
a - 18 mm
D1 - 31,7 mm
Da max - 36,4 mm
Db max - 37,8 mm
d1 - 26 mm
da min - 20,6 mm
r1 min - 0,6 mm
ra max - 1 mm
ra1 max - 0,6 mm
rmin - 1 mm
α - 40 ° / Angle
m - 0,084 kg / Weight
Cr - 14200 N / Dynamic load rating (radial)
C0r - 7200 N / Static load rating (radial)
nG - 22200 1/min / Limiting speed
nB - 14200 1/min / Reference speed
Cur - 485 N
Main dimensions to DIN 628-1, Angle α = 40°
=