HOME >> Services >> Partners >> FAG Bearing
FAG Bearing
IKO Bearing
INA Bearing
KOYO Bearing
NACHI Bearing
NSK Bearing
NTN Bearing
SKF Bearing
TIMKEN Bearing

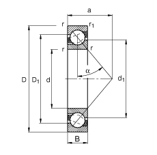
Bearing number : 7304-B-TVP
Size (mm) : 20x52x15
Brand : FAG
Bore Diameter (mm) : 20
Outer Diameter (mm) : 52
Width (mm) : 15
d - 20 mm
D - 52 mm
B - 15 mm
a - 23 mm
D1 - 39,7 mm
Da max - 45 mm
Db max - 47,8 mm
d1 - 33 mm
da min - 27 mm
r1 min - 0,6 mm
ra max - 1 mm
ra1 max - 0,6 mm
rmin - 1,1 mm
α - 40 ° / Angle
m - 0,143 kg / Weight
Cr - 20400 N / Dynamic load rating (radial)
C0r - 11100 N / Static load rating (radial)
nG - 17600 1/min / Limiting speed
nB - 11500 1/min / Reference speed
Cur - 750 N
Main dimensions to DIN 628-1, Angle α = 40°