HOME >> Services >> Partners >> FAG Bearing
FAG Bearing
IKO Bearing
INA Bearing
KOYO Bearing
NACHI Bearing
NSK Bearing
NTN Bearing
SKF Bearing
TIMKEN Bearing

Bearing number : 7305-B-2RS-TVP
Size (mm) : 25x62x17
Brand : FAG
Bore Diameter (mm) : 25
Outer Diameter (mm) : 62
Width (mm) : 17
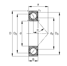
d - 25 mm
D - 62 mm
B - 17 mm
a - 27 mm
D2 - 50,4 mm
D3 - 57,1 mm
Da max - 55 mm
Db max - 57,8 mm
d2 - 35,8 mm
da min - 32 mm
r1 min - 0,6 mm
ra max - 1 mm
ra1 max - 0,6 mm
rmin - 1,1 mm
α - 40 ° / Angle
m - 0,231 kg / Weight
Cr - 28000 N / Dynamic load rating (radial)
C0r - 16100 N / Static load rating (radial)
nG - 7000 1/min / Limiting speed
Cur - 1080 N / Fatigue limit load, radial
Main dimensions to DIN 628-1, Angle α = 40°, lip seal on both side