HOME >> Services >> Partners >> FAG Bearing
FAG Bearing
IKO Bearing
INA Bearing
KOYO Bearing
NACHI Bearing
NSK Bearing
NTN Bearing
SKF Bearing
TIMKEN Bearing

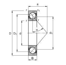
Bearing number : 7332-B-MP
Size (mm) : 160x340x68
Brand : FAG
Bore Diameter (mm) : 160
Outer Diameter (mm) : 340
Width (mm) : 68
d - 160 mm
D - 340 mm
B - 68 mm
a - 139 mm
D1 - 270 mm
Da max - 323 mm
Db max - 331 mm
d1 - 231 mm
da min - 177 mm
r1 min - 1,5 mm
ra max - 3 mm
ra1 max - 1,5 mm
rmin - 4 mm
α - 40 ° / Angle
m - 29 kg / Weight
Cr - 360000 N / Dynamic load rating (radial)
C0r - 475000 N / Static load rating (radial)
nG - 2950 1/min / Limiting speed
nB - 2040 1/min / Reference speed
Cur - 15100 N
Main dimensions to DIN 628-1, Angle α = 40°