HOME >> Services >> Partners >> FAG Bearing
FAG Bearing
IKO Bearing
INA Bearing
KOYO Bearing
NACHI Bearing
NSK Bearing
NTN Bearing
SKF Bearing
TIMKEN Bearing

Bearing number : B7010-C-T-P4S
Size (mm) : 50x80x16
Brand : FAG
Bore Diameter (mm) : 50
Outer Diameter (mm) : 80
Width (mm) : 16
d - 50 mm
D - 80 mm
B - 16 mm
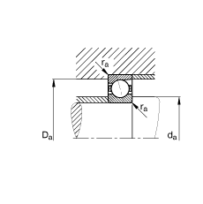
a - 17 mm
Da - 74 mm / Tolerance: H12
da - 56 mm / Tolerance: h12
r1 min - 1 mm
ra max - 1 mm
ra1 max - 0,3 mm
rmin - 1 mm
α - 15 ° / Angle
m - 0,257 kg / Weight
Cr - 29000 N / Dynamic load rating (radial)
C0r - 16100 N / Static load rating (radial)
nG Fett - 18000 1/min / Limiting speed for grease lubrication
nG Ol - 28000 1/min / Limiting speed for minimal quantity oil lubrication
Cur - 1660 N / Fatigue limit load, radial