HOME >> Services >> Partners >> FAG Bearing
FAG Bearing
IKO Bearing
INA Bearing
KOYO Bearing
NACHI Bearing
NSK Bearing
NTN Bearing
SKF Bearing
TIMKEN Bearing

Bearing number : B7016-C-T-P4S
Size (mm) : 80x125x22
Brand : FAG
Bore Diameter (mm) : 80
Outer Diameter (mm) : 125
Width (mm) : 22
d - 80 mm
D - 125 mm
B - 22 mm
a - 25 mm
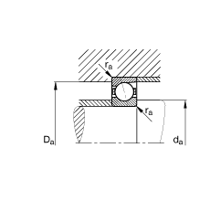
Da - 117 mm / Tolerance: H12
da - 88 mm / Tolerance: h12
r1 min - 1,1 mm
ra max - 1 mm
ra1 max - 0,6 mm
rmin - 1,1 mm
α - 15 ° / Angle
m - 0,836 kg / Weight
Cr - 64000 N / Dynamic load rating (radial)
C0r - 41000 N / Static load rating (radial)
nG Fett - 11000 1/min / Limiting speed for grease lubrication
nG Ol - 17000 1/min / Limiting speed for minimal quantity oil lubrication
Cur - 4150 N / Fatigue limit load, radial