HOME >> Services >> Partners >> FAG Bearing
FAG Bearing
IKO Bearing
INA Bearing
KOYO Bearing
NACHI Bearing
NSK Bearing
NTN Bearing
SKF Bearing
TIMKEN Bearing

Bearing number : B7018-E-T-P4S
Size (mm) : 90x140x24
Brand : FAG
Bore Diameter (mm) : 90
Outer Diameter (mm) : 140
Width (mm) : 24
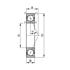
d - 90 mm
D - 140 mm
B - 24 mm
a - 39 mm
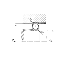
Da - 131 mm / Tolerance: H12
da - 100 mm / Tolerance: h12
r1 min - 1,5 mm
ra max - 1,5 mm
ra1 max - 0,6 mm
rmin - 1,5 mm
α - 25 ° / Angle
m - 1,12 kg / Weight
Cr - 74000 N / Dynamic load rating (radial)
C0r - 48500 N / Static load rating (radial)
nG Fett - 9000 1/min / Limiting speed for grease lubrication
nG Ol - 14000 1/min / Limiting speed for minimal quantity oil lubrication
Cur - 4650 N / Fatigue limit load, radial