HOME >> Services >> Partners >> FAG Bearing
FAG Bearing
IKO Bearing
INA Bearing
KOYO Bearing
NACHI Bearing
NSK Bearing
NTN Bearing
SKF Bearing
TIMKEN Bearing

Bearing number : B7036-E-T-P4S
Size (mm) : 180x280x46
Brand : FAG
Bore Diameter (mm) : 180
Outer Diameter (mm) : 280
Width (mm) : 46
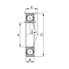
d - 180 mm
D - 280 mm
B - 46 mm
a - 77 mm
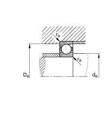
Da - 264 mm / Tolerance: H12
da - 196 mm / Tolerance: h12
r1 min - 2,1 mm
ra max - 2 mm
ra1 max - 1 mm
rmin - 2,1 mm
α - 25 ° / Angle
m - 8,76 kg / Weight
Cr - 236000 N / Dynamic load rating (radial)
C0r - 193000 N / Static load rating (radial)
nG Fett - 4300 1/min / Limiting speed for grease lubrication
nG Ol - 6700 1/min / Limiting speed for minimal quantity oil lubrication
Cur - 13100 N / Fatigue limit load, radial