HOME >> Services >> Partners >> FAG Bearing
FAG Bearing
IKO Bearing
INA Bearing
KOYO Bearing
NACHI Bearing
NSK Bearing
NTN Bearing
SKF Bearing
TIMKEN Bearing

Bearing number : B7040-C-T-P4S
Size (mm) : 200x310x51
Brand : FAG
Bore Diameter (mm) : 200
Outer Diameter (mm) : 310
Width (mm) : 51
d - 200 mm
D - 310 mm
B - 51 mm
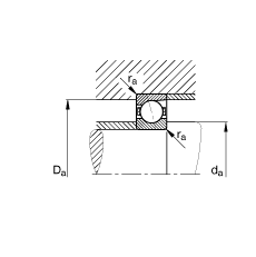
a - 60 mm
Da - 293 mm / Tolerance: H12
da - 217 mm / Tolerance: h12
r1 min - 2,1 mm
ra max - 2 mm
ra1 max - 1 mm
rmin - 2,1 mm
α - 15 ° / Angle
m - 11,6 kg / Weight
Cr - 310000 N / Dynamic load rating (radial)
C0r - 270000 N / Static load rating (radial)
nG Fett - 4300 1/min / Limiting speed for grease lubrication
nG Ol - 6700 1/min / Limiting speed for minimal quantity oil lubrication
Cur - 17500 N / Fatigue limit load, radial