HOME >> Services >> Partners >> FAG Bearing
FAG Bearing
IKO Bearing
INA Bearing
KOYO Bearing
NACHI Bearing
NSK Bearing
NTN Bearing
SKF Bearing
TIMKEN Bearing

Bearing number : B71900-C-T-P4S
Size (mm) : 10x22x6
Brand : FAG
Bore Diameter (mm) : 10
Outer Diameter (mm) : 22
Width (mm) : 6
d - 10 mm
D - 22 mm
B - 6 mm
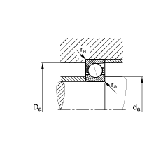
a - 5 mm
Da - 19,5 mm / Tolerance: H12
da - 13 mm / Tolerance: h12
r1 min - 0,3 mm
ra max - 0,3 mm
ra1 max - 0,3 mm
rmin - 0,3 mm
α - 15 ° / Angle
m - 0,01 kg / Weight
Cr - 3000 N / Dynamic load rating (radial)
C0r - 1070 N / Static load rating (radial)
nG Fett - 75000 1/min / Limiting speed for grease lubrication
nG Ol - 120000 1/min / Limiting speed for minimal quantity oil lubrication
Cur - 110 N / Fatigue limit load, radial