HOME >> Services >> Partners >> FAG Bearing
FAG Bearing
IKO Bearing
INA Bearing
KOYO Bearing
NACHI Bearing
NSK Bearing
NTN Bearing
SKF Bearing
TIMKEN Bearing

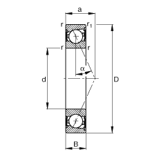
Bearing number : B71901-E-2RSD-T-P4S
Size (mm) : 12x24x6
Brand : FAG
Bore Diameter (mm) : 12
Outer Diameter (mm) : 24
Width (mm) : 6
d - 12 mm
D - 24 mm
B - 6 mm
a - 7 mm
Da - 21,5 mm / Tolerance: H12
da - 15 mm / Tolerance: h12
r1 min - 0,3 mm
ra max - 0,3 mm
ra1 max - 0,3 mm
rmin - 0,3 mm
α - 25 ° / Angle
m - 0,012 kg / Weight
Cr - 3250 N / Dynamic load rating (radial)
C0r - 1250 N / Static load rating (radial)
nG Fett - 60000 1/min / Limiting speed for grease lubrication
Cur - 128 N / Fatigue limit load, radial