HOME >> Services >> Partners >> FAG Bearing
FAG Bearing
IKO Bearing
INA Bearing
KOYO Bearing
NACHI Bearing
NSK Bearing
NTN Bearing
SKF Bearing
TIMKEN Bearing

Bearing number : B71936-C-T-P4S
Size (mm) : 180x250x33
Brand : FAG
Bore Diameter (mm) : 180
Outer Diameter (mm) : 250
Width (mm) : 33
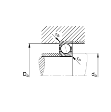
d - 180 mm
D - 250 mm
B - 33 mm
a - 45 mm
Da - 238 mm / Tolerance: H12
da - 192 mm / Tolerance: h12
r1 min - 1 mm
ra max - 1 mm
ra1 max - 1 mm
rmin - 2 mm
α - 15 ° / Angle
m - 4,14 kg / Weight
Cr - 171000 N / Dynamic load rating (radial)
C0r - 146000 N / Static load rating (radial)
nG Fett - 5300 1/min / Limiting speed for grease lubrication
nG Ol - 8000 1/min / Limiting speed for minimal quantity oil lubrication
Cur - 10200 N / Fatigue limit load, radial