HOME >> Services >> Partners >> FAG Bearing
FAG Bearing
IKO Bearing
INA Bearing
KOYO Bearing
NACHI Bearing
NSK Bearing
NTN Bearing
SKF Bearing
TIMKEN Bearing

Bearing number : B71938-E-T-P4S
Size (mm) : 190x260x33
Brand : FAG
Bore Diameter (mm) : 190
Outer Diameter (mm) : 260
Width (mm) : 33
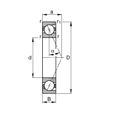
d - 190 mm
D - 260 mm
B - 33 mm
a - 69 mm
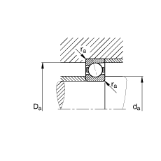
Da - 247 mm / Tolerance: H12
da - 202 mm / Tolerance: h12
r1 min - 1 mm
ra max - 1 mm
ra1 max - 1 mm
rmin - 2 mm
α - 25 ° / Angle
m - 4,31 kg / Weight
Cr - 164000 N / Dynamic load rating (radial)
C0r - 144000 N / Static load rating (radial)
nG Fett - 4500 1/min / Limiting speed for grease lubrication
nG Ol - 6700 1/min / Limiting speed for minimal quantity oil lubrication
Cur - 9900 N / Fatigue limit load, radial