HOME >> Services >> Partners >> FAG Bearing
FAG Bearing
IKO Bearing
INA Bearing
KOYO Bearing
NACHI Bearing
NSK Bearing
NTN Bearing
SKF Bearing
TIMKEN Bearing

Bearing number : B7202-C-T-P4S
Size (mm) : 15x35x11
Brand : FAG
Bore Diameter (mm) : 15
Outer Diameter (mm) : 35
Width (mm) : 11
d - 15 mm
D - 35 mm
B - 11 mm
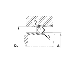
a - 9 mm
Da - 30,5 mm / Tolerance: H12
da - 19,5 mm / Tolerance: h12
r1 min - 0,6 mm
ra max - 0,6 mm
ra1 max - 0,6 mm
rmin - 0,6 mm
α - 15 ° / Angle
m - 0,044 kg / Weight
Cr - 11600 N / Dynamic load rating (radial)
C0r - 5000 N / Static load rating (radial)
nG Fett - 45000 1/min / Limiting speed for grease lubrication
nG Ol - 67000 1/min / Limiting speed for minimal quantity oil lubrication
Cur - 520 N / Fatigue limit load, radial