HOME >> Services >> Partners >> FAG Bearing
FAG Bearing
IKO Bearing
INA Bearing
KOYO Bearing
NACHI Bearing
NSK Bearing
NTN Bearing
SKF Bearing
TIMKEN Bearing

Bearing number : B7205-E-T-P4S
Size (mm) : 25x52x15
Brand : FAG
Bore Diameter (mm) : 25
Outer Diameter (mm) : 52
Width (mm) : 15
d - 25 mm
D - 52 mm
B - 15 mm
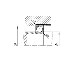
a - 17 mm
Da - 45,5 mm / Tolerance: H12
da - 31,5 mm / Tolerance: h12
r1 min - 1 mm
ra max - 1 mm
ra1 max - 1 mm
rmin - 1 mm
α - 25 ° / Angle
m - 0,126 kg / Weight
Cr - 17500 N / Dynamic load rating (radial)
C0r - 8800 N / Static load rating (radial)
nG Fett - 26000 1/min / Limiting speed for grease lubrication
nG Ol - 40000 1/min / Limiting speed for minimal quantity oil lubrication
Cur - 910 N / Fatigue limit load, radial