HOME >> Services >> Partners >> FAG Bearing
FAG Bearing
IKO Bearing
INA Bearing
KOYO Bearing
NACHI Bearing
NSK Bearing
NTN Bearing
SKF Bearing
TIMKEN Bearing

Bearing number : B7230-C-T-P4S
Size (mm) : 150x270x45
Brand : FAG
Bore Diameter (mm) : 150
Outer Diameter (mm) : 270
Width (mm) : 45
d - 150 mm
D - 270 mm
B - 45 mm
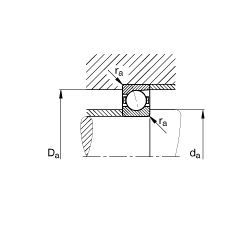
a - 51 mm
Da - 241,5 mm / Tolerance: H12
da - 178 mm / Tolerance: h12
r1 min - 3 mm
ra max - 2,5 mm
ra1 max - 2,5 mm
rmin - 3 mm
α - 15 ° / Angle
m - 10,1 kg / Weight
Cr - 232000 N / Dynamic load rating (radial)
C0r - 178000 N / Static load rating (radial)
nG Fett - 4500 1/min / Limiting speed for grease lubrication
nG Ol - 6700 1/min / Limiting speed for minimal quantity oil lubrication
Cur - 12600 N / Fatigue limit load, radial