HOME >> Services >> Partners >> FAG Bearing
FAG Bearing
IKO Bearing
INA Bearing
KOYO Bearing
NACHI Bearing
NSK Bearing
NTN Bearing
SKF Bearing
TIMKEN Bearing

Bearing number : B7234-E-T-P4S
Size (mm) : 170x310x52
Brand : FAG
Bore Diameter (mm) : 170
Outer Diameter (mm) : 310
Width (mm) : 52
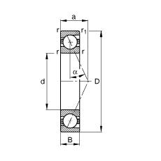
d - 170 mm
D - 310 mm
B - 52 mm
a - 82 mm
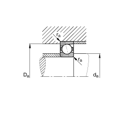
Da - 275 mm / Tolerance: H12
da - 205 mm / Tolerance: h12
r1 min - 4 mm
ra max - 3 mm
ra1 max - 3 mm
rmin - 4 mm
α - 25 ° / Angle
m - 15,6 kg / Weight
Cr - 285000 N / Dynamic load rating (radial)
C0r - 241000 N / Static load rating (radial)
nG Fett - 3600 1/min / Limiting speed for grease lubrication
nG Ol - 5300 1/min / Limiting speed for minimal quantity oil lubrication
Cur - 16000 N / Fatigue limit load, radial