HOME >> Services >> Partners >> FAG Bearing
FAG Bearing
IKO Bearing
INA Bearing
KOYO Bearing
NACHI Bearing
NSK Bearing
NTN Bearing
SKF Bearing
TIMKEN Bearing

Bearing number : B7236-E-T-P4S
Size (mm) : 180x320x52
Brand : FAG
Bore Diameter (mm) : 180
Outer Diameter (mm) : 320
Width (mm) : 52
d - 180 mm
D - 320 mm
B - 52 mm
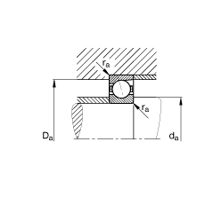
a - 84 mm
Da - 286,5 mm / Tolerance: H12
da - 213,5 mm / Tolerance: h12
r1 min - 4 mm
ra max - 3 mm
ra1 max - 3 mm
rmin - 4 mm
α - 25 ° / Angle
m - 16,3 kg / Weight
Cr - 295000 N / Dynamic load rating (radial)
C0r - 260000 N / Static load rating (radial)
nG Fett - 3400 1/min / Limiting speed for grease lubrication
nG Ol - 5000 1/min / Limiting speed for minimal quantity oil lubrication
Cur - 16800 N / Fatigue limit load, radial