HOME >> Services >> Partners >> FAG Bearing
FAG Bearing
IKO Bearing
INA Bearing
KOYO Bearing
NACHI Bearing
NSK Bearing
NTN Bearing
SKF Bearing
TIMKEN Bearing

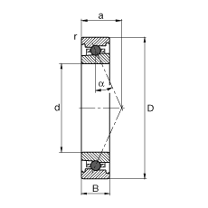
Bearing number : HC7013-E-T-P4S
Size (mm) : 65x100x18
Brand : FAG
Bore Diameter (mm) : 65
Outer Diameter (mm) : 100
Width (mm) : 18
d - 65 mm
D - 100 mm
B - 18 mm
a - 28 mm
Da - 89 mm / Tolerance: H12
da - 75,5 mm / Tolerance: h12
ra max - 1 mm
rmin - 1,1 mm
α - 25 ° / Angle
m - 0,44 kg / Weight
Cr - 18200 N / Dynamic load rating (radial)
C0r - 8900 N / Static load rating (radial)
nG Fett - 22000 1/min / Limiting speed for grease lubrication
nG Ol - 34000 1/min / Limiting speed for minimal quantity oil lubrication
Cur - 930 N / Fatigue limit load, radial