HOME >> Services >> Partners >> FAG Bearing
FAG Bearing
IKO Bearing
INA Bearing
KOYO Bearing
NACHI Bearing
NSK Bearing
NTN Bearing
SKF Bearing
TIMKEN Bearing

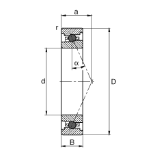
Bearing number : HC7015-E-T-P4S
Size (mm) : 75x115x20
Brand : FAG
Bore Diameter (mm) : 75
Outer Diameter (mm) : 115
Width (mm) : 20
d - 75 mm
D - 115 mm
B - 20 mm
a - 32 mm
Da - 102,5 mm / Tolerance: H12
da - 87 mm / Tolerance: h12
ra max - 1 mm
rmin - 1,1 mm
α - 25 ° / Angle
m - 0,644 kg / Weight
Cr - 23900 N / Dynamic load rating (radial)
C0r - 11900 N / Static load rating (radial)
nG Fett - 19000 1/min / Limiting speed for grease lubrication
nG Ol - 30000 1/min / Limiting speed for minimal quantity oil lubrication
Cur - 1240 N / Fatigue limit load, radial