HOME >> Services >> Partners >> FAG Bearing
FAG Bearing
IKO Bearing
INA Bearing
KOYO Bearing
NACHI Bearing
NSK Bearing
NTN Bearing
SKF Bearing
TIMKEN Bearing

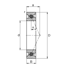
Bearing number : HC71906-E-T-P4S
Size (mm) : 30x47x9
Brand : FAG
Bore Diameter (mm) : 30
Outer Diameter (mm) : 47
Width (mm) : 9
d - 30 mm
D - 47 mm
B - 9 mm
a - 14 mm
Da - 42 mm / Tolerance: H12
da - 34,5 mm / Tolerance: h12
ra max - 0,3 mm
rmin - 0,3 mm
α - 25 ° / Angle
m - 0,046 kg / Weight
Cr - 5600 N / Dynamic load rating (radial)
C0r - 2070 N / Static load rating (radial)
nG Fett - 43000 1/min / Limiting speed for grease lubrication
nG Ol - 67000 1/min / Limiting speed for minimal quantity oil lubrication
Cur - 215 N / Fatigue limit load, radial