HOME >> Services >> Partners >> FAG Bearing
FAG Bearing
IKO Bearing
INA Bearing
KOYO Bearing
NACHI Bearing
NSK Bearing
NTN Bearing
SKF Bearing
TIMKEN Bearing

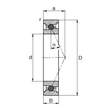
Bearing number : HC71918-E-T-P4S
Size (mm) : 90x125x18
Brand : FAG
Bore Diameter (mm) : 90
Outer Diameter (mm) : 125
Width (mm) : 18
d - 90 mm
D - 125 mm
B - 18 mm
a - 34 mm
Da - 114,5 mm / Tolerance: H12
da - 100 mm / Tolerance: h12
ra max - 0,6 mm
rmin - 1,1 mm
α - 25 ° / Angle
m - 0,564 kg / Weight
Cr - 21900 N / Dynamic load rating (radial)
C0r - 12400 N / Static load rating (radial)
nG Fett - 17000 1/min / Limiting speed for grease lubrication
nG Ol - 26000 1/min / Limiting speed for minimal quantity oil lubrication
Cur - 1240 N / Fatigue limit load, radial