HOME >> Services >> Partners >> FAG Bearing
FAG Bearing
IKO Bearing
INA Bearing
KOYO Bearing
NACHI Bearing
NSK Bearing
NTN Bearing
SKF Bearing
TIMKEN Bearing

Bearing number : HCB7026-E-T-P4S
Size (mm) : 130x200x33
Brand : FAG
Bore Diameter (mm) : 130
Outer Diameter (mm) : 200
Width (mm) : 33
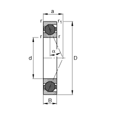
d - 130 mm
D - 200 mm
B - 33 mm
a - 55 mm
Da - 189 mm / Tolerance: H12
da - 142 mm / Tolerance: h12
r1 min - 2 mm
ra max - 2 mm
ra1 max - 1 mm
rmin - 2 mm
α - 25 ° / Angle
m - 2,61 kg / Weight
Cr - 141000 N / Dynamic load rating (radial)
C0r - 71000 N / Static load rating (radial)
nG Fett - 8500 1/min / Limiting speed for grease lubrication
nG Ol - 13000 1/min / Limiting speed for minimal quantity oil lubrication
Cur - 5800 N / Fatigue limit load, radial