HOME >> Services >> Partners >> FAG Bearing
FAG Bearing
IKO Bearing
INA Bearing
KOYO Bearing
NACHI Bearing
NSK Bearing
NTN Bearing
SKF Bearing
TIMKEN Bearing

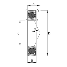
Bearing number : HCB71907-E-2RSD-T-P4S
Size (mm) : 35x55x10
Brand : FAG
Bore Diameter (mm) : 35
Outer Diameter (mm) : 55
Width (mm) : 10
d - 35 mm
D - 55 mm
B - 10 mm
a - 16 mm
Da - 51,5 mm / Tolerance: H12
da - 40 mm / Tolerance: h12
r1 min - 0,6 mm
ra max - 0,6 mm
ra1 max - 0,6 mm
rmin - 0,6 mm
α - 25 ° / Angle
m - 0,069 kg / Weight
Cr - 11500 N / Dynamic load rating (radial)
C0r - 4500 N / Static load rating (radial)
nG Fett - 32000 1/min / Limiting speed for grease lubrication
Cur - 470 N / Fatigue limit load, radial