HOME >> Services >> Partners >> FAG Bearing
FAG Bearing
IKO Bearing
INA Bearing
KOYO Bearing
NACHI Bearing
NSK Bearing
NTN Bearing
SKF Bearing
TIMKEN Bearing

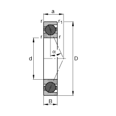
Bearing number : HCB71940-E-T-P4S
Size (mm) : 200x280x38
Brand : FAG
Bore Diameter (mm) : 200
Outer Diameter (mm) : 280
Width (mm) : 38
d - 200 mm
D - 280 mm
B - 38 mm
a - 75 mm
Da - 266 mm / Tolerance: H12
da - 214 mm / Tolerance: h12
r1 min - 1,1 mm
ra max - 1 mm
ra1 max - 1 mm
rmin - 2,1 mm
α - 25 ° / Angle
m - 5,04 kg / Weight
Cr - 199000 N / Dynamic load rating (radial)
C0r - 119000 N / Static load rating (radial)
nG Fett - 5600 1/min / Limiting speed for grease lubrication
nG Ol - - 1/min / Limiting speed for minimal quantity oil lubrication
Cur - 8000 N / Fatigue limit load, radial