HOME >> Services >> Partners >> FAG Bearing
FAG Bearing
IKO Bearing
INA Bearing
KOYO Bearing
NACHI Bearing
NSK Bearing
NTN Bearing
SKF Bearing
TIMKEN Bearing

Bearing number : HSS7007-E-T-P4S
Size (mm) : 35x62x14
Brand : FAG
Bore Diameter (mm) : 35
Outer Diameter (mm) : 62
Width (mm) : 14
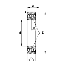
d - 35 mm
D - 62 mm
B - 14 mm
a - 18 mm
Da - 56 mm / Tolerance: H12
da - 41 mm / Tolerance: h12
ra max - 1 mm
rmin - 1 mm
β - 25 ° / Angle
m - 0,184 kg / Weight
Cr - 8400 N / Dynamic load rating (radial)
C0r - 4700 N / Static load rating (radial)
nG Fett - 30000 1/min / Limiting speed for grease lubrication
Cur - 485 N / Fatigue limit load, radial