HOME >> Services >> Partners >> FAG Bearing
FAG Bearing
IKO Bearing
INA Bearing
KOYO Bearing
NACHI Bearing
NSK Bearing
NTN Bearing
SKF Bearing
TIMKEN Bearing

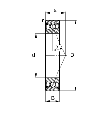
Bearing number : HSS7009-E-T-P4S
Size (mm) : 45x75x16
Brand : FAG
Bore Diameter (mm) : 45
Outer Diameter (mm) : 75
Width (mm) : 16
d - 45 mm
D - 75 mm
B - 16 mm
a - 22 mm
Da - 69 mm / Tolerance: H12
da - 51 mm / Tolerance: h12
ra max - 1 mm
rmin - 1 mm
α - 25 ° / Angle
m - 0,29 kg / Weight
Cr - 11600 N / Dynamic load rating (radial)
C0r - 7100 N / Static load rating (radial)
nG Fett - 24000 1/min / Limiting speed for grease lubrication
Cur - 730 N / Fatigue limit load, radial