HOME >> Services >> Partners >> FAG Bearing
FAG Bearing
IKO Bearing
INA Bearing
KOYO Bearing
NACHI Bearing
NSK Bearing
NTN Bearing
SKF Bearing
TIMKEN Bearing

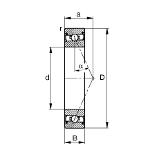
Bearing number : HSS71900-E-T-P4S
Size (mm) : 10x22x6
Brand : FAG
Bore Diameter (mm) : 10
Outer Diameter (mm) : 22
Width (mm) : 6
d - 10 mm
D - 22 mm
B - 6 mm
a - 7 mm
Da - 19,5 mm / Tolerance: H12
da - 13 mm / Tolerance: h12
ra max - 0,3 mm
rmin - 0,3 mm
α - 25 ° / Angle
m - 0,012 kg / Weight
Cr - 1700 N / Dynamic load rating (radial)
C0r - 620 N / Static load rating (radial)
nG Fett - 95000 1/min / Limiting speed for grease lubrication
Cur - 64 N / Fatigue limit load, radial