HOME >> Services >> Partners >> FAG Bearing
FAG Bearing
IKO Bearing
INA Bearing
KOYO Bearing
NACHI Bearing
NSK Bearing
NTN Bearing
SKF Bearing
TIMKEN Bearing

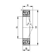
Bearing number : HSS71902-E-T-P4S
Size (mm) : 15x28x7
Brand : FAG
Bore Diameter (mm) : 15
Outer Diameter (mm) : 28
Width (mm) : 7
d - 15 mm
D - 28 mm
B - 7 mm
a - 9 mm
Da - 25,5 mm / Tolerance: H12
da - 18 mm / Tolerance: h12
ra max - 0,3 mm
rmin - 0,3 mm
α - 25 ° / Angle
m - 0,019 kg / Weight
Cr - 2410 N / Dynamic load rating (radial)
C0r - 990 N / Static load rating (radial)
nG Fett - 67000 1/min / Limiting speed for grease lubrication
Cur - 102 N / Fatigue limit load, radial