HOME >> Services >> Partners >> FAG Bearing
FAG Bearing
IKO Bearing
INA Bearing
KOYO Bearing
NACHI Bearing
NSK Bearing
NTN Bearing
SKF Bearing
TIMKEN Bearing

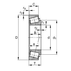
Bearing number : KLM806649-LM806610
Size (mm) : 53.975x88.9x19.05
Brand : FAG
Bore Diameter (mm) : 53,975
Outer Diameter (mm) : 88,9
Width (mm) : 19,05
d - 53,975 mm
D - 88,9 mm
T - 19,05 mm
a - 21 mm
B - 19,05 mm
C - 13,492 mm
Ca min - 4 mm
Cb min - 5,5 mm
Da min - 80 mm
Db min - 85 mm
d1 - 72,3 mm
da max - 60 mm
db min - 63 mm
r1, 2 min - 2,3 mm
r3, 4 min - 2 mm
ra max - 2,3 mm
rb max - 2 mm
m - 0,445 kg / Weight
Cr - 59000 N / Dynamic load rating (radial)
C0r - 78000 N
e - 0,55
Y - 1,1
Y0 - 0,6
Cur - 9500 N / Fatigue limit load, radial
nG - 8000 1/min / Limiting speed
Tapered roller bearings K-Series, in inch sizes, separable, adjusted or in pairs