HOME >> Services >> Partners >> FAG Bearing
FAG Bearing
IKO Bearing
INA Bearing
KOYO Bearing
NACHI Bearing
NSK Bearing
NTN Bearing
SKF Bearing
TIMKEN Bearing

Bearing number : NJ202-E-TVP2 + HJ202-E
Size (mm) : 15x35x11
Brand : FAG
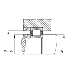
Bore Diameter (mm) : 15
Outer Diameter (mm) : 35
Width (mm) : 11
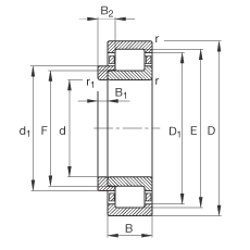
d - 15 mm
D - 35 mm
B - 11 mm
B1 - 2,5 mm
B2 - 5 mm
D1 - 28 mm
Da max - 32,6 mm
d1 - 21,6 mm
da max - 18,5 mm
da min - 17,4 mm
dc min - 22 mm
E - 30,3 mm
F - 19,3 mm
r1 min - 0,3 mm
ra max - 0,6 mm
rmin - 0,6 mm
s - 1,6 mm / Axial displacement facility from central position
- HJ202-E / Designation, L-section ring
m - 0,049 kg / Weight
m1 - 0,0050 kg
Cr - 15100 N / Dynamic load rating (radial)
C0r - 10400 N / Static load rating (radial)
nG - 27000 1/min / Limiting speed
nB - 17600 1/min / Reference speed
Cur - 1600 N / Fatigue limit load, radial
Main dimensions to DIN 5412-1, with L-section ring, locating bearing, separable, with cage