HOME >> Services >> Partners >> FAG Bearing
FAG Bearing
IKO Bearing
INA Bearing
KOYO Bearing
NACHI Bearing
NSK Bearing
NTN Bearing
SKF Bearing
TIMKEN Bearing

Bearing number : NJ206-E-TVP2 + HJ206-E
Size (mm) : 30x62x16
Brand : FAG
Bore Diameter (mm) : 30
Outer Diameter (mm) : 62
Width (mm) : 16
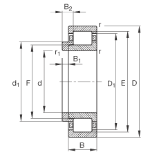
d - 30 mm
D - 62 mm
B - 16 mm
B1 - 4 mm
B2 - 7 mm
D1 - 52,5 mm
Da max - 56 mm
d1 - 41,1 mm
da max - 37 mm
da min - 34 mm
dc min - 44 mm
E - 55,5 mm
F - 37,5 mm
r1 min - 0,6 mm
ra max - 1 mm
rmin - 1 mm
s - 1,5 mm / Axial displacement facility from central position
- HJ206-E / Designation, L-section ring
m - 0,213 kg / Weight
m1 - 0,024 kg
Cr - 46000 N / Dynamic load rating (radial)
C0r - 37500 N / Static load rating (radial)
nG - 14200 1/min / Limiting speed
nB - 9800 1/min / Reference speed
Cur - 5400 N / Fatigue limit load, radial
Main dimensions to DIN 5412-1, with L-section ring, locating bearing, separable, with cage