HOME >> Services >> Partners >> FAG Bearing
FAG Bearing
IKO Bearing
INA Bearing
KOYO Bearing
NACHI Bearing
NSK Bearing
NTN Bearing
SKF Bearing
TIMKEN Bearing

Bearing number : NJ213-E-TVP2 + HJ213-E
Size (mm) : 65x120x23
Brand : FAG
Bore Diameter (mm) : 65
Outer Diameter (mm) : 120
Width (mm) : 23
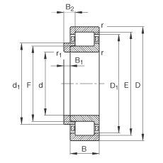
d - 65 mm
D - 120 mm
B - 23 mm
B1 - 6 mm
B2 - 10 mm
D1 - 104,3 mm
Da max - 111 mm
d1 - 84,4 mm
da max - 77 mm
da min - 74 mm
dc min - 87 mm
E - 108,5 mm
F - 78,5 mm
r1 min - 1,5 mm
ra max - 1,5 mm
rmin - 1,5 mm
s - 1,4 mm / Axial displacement facility from central position
- HJ213-E / Designation, L-section ring
m - 1,06 kg / Weight
m1 - 0,127 kg
Cr - 128000 N / Dynamic load rating (radial)
C0r - 120000 N / Static load rating (radial)
nG - 7100 1/min / Limiting speed
nB - 5000 1/min / Reference speed
Cur - 20700 N / Fatigue limit load, radial
Main dimensions to DIN 5412-1, with L-section ring, locating bearing, separable, with cage