HOME >> Services >> Partners >> FAG Bearing
FAG Bearing
IKO Bearing
INA Bearing
KOYO Bearing
NACHI Bearing
NSK Bearing
NTN Bearing
SKF Bearing
TIMKEN Bearing

Bearing number : NJ216-E-TVP2 + HJ216-E
Size (mm) : 80x140x26
Brand : FAG
Bore Diameter (mm) : 80
Outer Diameter (mm) : 140
Width (mm) : 26
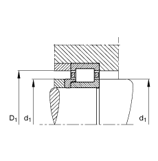
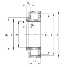
d - 80 mm
D - 140 mm
B - 26 mm
B1 - 8 mm
B2 - 12,5 mm
D1 - 122,9 mm
Da max - 129 mm
d1 - 101,5 mm
da max - 94 mm
da min - 91 mm
dc min - 104 mm
E - 127,3 mm
F - 95,3 mm
r1 min - 2 mm
ra max - 2 mm
rmin - 2 mm
s - 1,3 mm / Axial displacement facility from central position
- HJ216-E / Designation, L-section ring
m - 1,58 kg / Weight
m1 - 0,22 kg
Cr - 166000 N / Dynamic load rating (radial)
C0r - 168000 N / Static load rating (radial)
nG - 6100 1/min / Limiting speed
nB - 4250 1/min / Reference speed
Cur - 29000 N / Fatigue limit load, radial
Main dimensions to DIN 5412-1, with L-section ring, locating bearing, separable, with cage