HOME >> Services >> Partners >> FAG Bearing
FAG Bearing
IKO Bearing
INA Bearing
KOYO Bearing
NACHI Bearing
NSK Bearing
NTN Bearing
SKF Bearing
TIMKEN Bearing

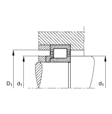
Bearing number : NJ219-E-TVP2 + HJ219-E
Size (mm) : 95x170x32
Brand : FAG
Bore Diameter (mm) : 95
Outer Diameter (mm) : 170
Width (mm) : 32
d - 95 mm
D - 170 mm
B - 32 mm
B1 - 9 mm
B2 - 14 mm
D1 - 148,6 mm
Da max - 158 mm
d1 - 120,5 mm
da max - 111 mm
da min - 107 mm
dc min - 123 mm
E - 154,5 mm
F - 112,5 mm
r1 min - 2,1 mm
ra max - 2,1 mm
rmin - 2,1 mm
s - 0,7 mm / Axial displacement facility from central position
- HJ219-E / Designation, L-section ring
m - 2,94 kg / Weight
m1 - 0,352 kg
Cr - 260000 N / Dynamic load rating (radial)
C0r - 265000 N / Static load rating (radial)
nG - 4850 1/min / Limiting speed
nB - 3700 1/min / Reference speed
Cur - 44000 N / Fatigue limit load, radial
Main dimensions to DIN 5412-1, with L-section ring, locating bearing, separable, with cage