HOME >> Services >> Partners >> FAG Bearing
FAG Bearing
IKO Bearing
INA Bearing
KOYO Bearing
NACHI Bearing
NSK Bearing
NTN Bearing
SKF Bearing
TIMKEN Bearing

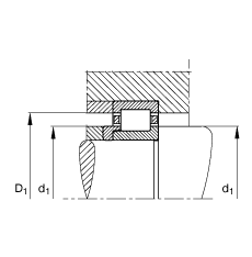
Bearing number : NJ2208-E-TVP2 + HJ2208-E
Size (mm) : 40x80x23
Brand : FAG
Bore Diameter (mm) : 40
Outer Diameter (mm) : 80
Width (mm) : 23
d - 40 mm
D - 80 mm
B - 23 mm
B1 - 5 mm
B2 - 9 mm
D1 - 68,3 mm
Da max - 73 mm
d1 - 54 mm
da max - 49 mm
da min - 47 mm
dc min - 56 mm
E - 71,5 mm
F - 49,5 mm
r1 min - 1,1 mm
ra max - 1 mm
rmin - 1,1 mm
s - 1,5 mm / Axial displacement facility from central position
- HJ2208-E / Designation, L-section ring
m - 0,504 kg / Weight
m1 - 0,05 kg
Cr - 83000 N / Dynamic load rating (radial)
C0r - 75000 N / Static load rating (radial)
nG - 10900 1/min / Limiting speed
nB - 6400 1/min / Reference speed
Cur - 12700 N / Fatigue limit load, radial
Main dimensions to DIN 5412-1, with L-section ring, locating bearing, separable, with cage