HOME >> Services >> Partners >> FAG Bearing
FAG Bearing
IKO Bearing
INA Bearing
KOYO Bearing
NACHI Bearing
NSK Bearing
NTN Bearing
SKF Bearing
TIMKEN Bearing

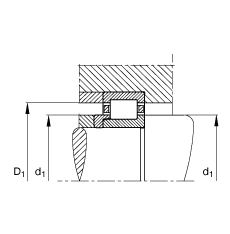
Bearing number : NJ2214-E-TVP2 + HJ2214-E
Size (mm) : 70x125x31
Brand : FAG
Bore Diameter (mm) : 70
Outer Diameter (mm) : 125
Width (mm) : 31
d - 70 mm
D - 125 mm
B - 31 mm
B1 - 7 mm
B2 - 11,5 mm
D1 - 109,4 mm
Da max - 116 mm
d1 - 89,4 mm
da max - 82 mm
da min - 79 mm
dc min - 92 mm
E - 113,5 mm
F - 83,5 mm
r1 min - 1,5 mm
ra max - 1,5 mm
rmin - 1,5 mm
s - 1,6 mm / Axial displacement facility from central position
- HJ2214-E / Designation, L-section ring
m - 1,54 kg / Weight
m1 - 0,157 kg
Cr - 185000 N / Dynamic load rating (radial)
C0r - 195000 N / Static load rating (radial)
nG - 6800 1/min / Limiting speed
nB - 3900 1/min / Reference speed
Cur - 35500 N / Fatigue limit load, radial
Main dimensions to DIN 5412-1, with L-section ring, locating bearing, separable, with cage